DPS各地工厂卓越生产

  Read more

“D先生”侃侃谈-液驱剪叉车如何在电气化时代下逆袭?

  Read more

防雾、防眩光、可视角度大、看我如何驰骋海洋!

  Read more

丹佛斯Editron加入创新联盟,共同研发下一代零排放电动动力系统

  Read more

《中国工程机械》人物专访 | 周时平:丹佛斯定制化策略,为创新服务而生

  Read more

丹佛斯当选2021中国大学生喜爱雇主

  Read more

搭载丹佛斯Editron混合动力系统的英国首艘CTV圆满完成调试并成功试航

  Read more

丹佛斯动力系统中国区年度经销商会议顺利召开

  Read more

丹佛斯JS1000电控手柄中国生产线竣工

  Read more

搭载丹佛斯Editron混合动力系统的英国首艘CTV顺利下水

  Read more

丹佛斯PLUS+1软件平台最新12.2版本发布上线

  Read more

丹佛斯H1系列重载闭式泵280排量正式发布

  Read more

收藏点滴,记录回忆 | 丹佛斯动力系统一路陪你!

  Read more

丹佛斯动力系统与江苏省产业技术研究院联合创新中心正式签约并揭牌

  Read more

丹佛斯携高效、创新及电气化解决方案亮相2020年上海宝马展

  Read more

丹佛斯动力系统闪耀T50全球工程机械产业大会

  Read more

掌舵启航,持续奋进,再创佳绩

  Read more

持续改善 迈向卓越

  Read more

“D先生”侃侃谈-起重机应用的“奥秘所在”

  Read more

PLUS+1 GUIDE 12.1版本隆重推出

  Read more

深入沟通,合作共赢-JLG一行参观丹佛斯海盐工厂和ADC

  Read more

丹佛斯动力系统中国区总裁周时平在AWP杂志上的专访

  Read more

丹佛斯动力系统EDITRON永磁同步磁阻辅助电机和变频器 获得中国船级社(CCS)最终型式认可证书

  Read more

丹佛斯动力系统工作装置事业部全球研发中心落户镇江高新区

  Read more

丹佛斯携手宏信建发,共同助力行业未来发展

  Read more

丹佛斯获取新能源船舶配套订单

  Read more

数字化创新 | 它来了!

  Read more

小丹带您揭秘丹佛斯动力系统应用开发中心

  Read more

丹佛斯动力系统带您看未来!

  Read more

与您共克时艰,携手同行!

  Read more

新一代系列7模拟量电控模块重磅来袭

  Read more

丹佛斯履带式甘蔗收获机电液系统

  Read more

丹佛斯动力系统致中国客户函

  Read more

丹佛斯动力系统陪伴您的2019!

  Read more

丹佛斯动力系统:抢占未来,发力中国

  Read more

求卓越,共成长,创价值,赢天下

  Read more

扬帆起航,丹佛斯动力系统精彩亮相海事展

  Read more

丹佛斯荣获“中国杰出雇主”2020称号

  Read more

第200台S70转向器从镇江启航

  Read more

秋高气爽,我们迎来了一批热情的客人

  Read more

丹佛斯动力系统携手北理工,开启校企合作新未来

  Read more

丹佛斯联手ASI公司发力无人驾驶车辆市场

  Read more

丹佛斯动力系统精彩亮相2019中国国际农业机械展览会

  Read more

丹佛斯JS1H电控手柄中国制造中心战略落地海盐

  Read more

2019 CIAME农机展,丹佛斯将亮出多项全新成果

  Read more

亚洲最大的人工湖首次迎来两艘电力推进工作船

  Read more

行业大咖齐聚苏州,共话船舶与海工行业未来发展!

  Read more

丹佛斯动力系统PLUS+1帮助平台介绍

  Read more

丹佛斯中国总裁荣获上海市白玉兰纪念奖

  Read more

畅想产业未来,囊括多项大奖

  Read more

丹佛斯电控滑移行走系统解决方案

  Read more

丹麦驻沪总领事莅临参观丹佛斯动力系统海盐应用开发中心

  Read more

工程车辆臂架控制解决方案

  Read more

当巨无霸起重机也开始变得智能……

  Read more

ECO80ls气控选项

  Read more

直击!丹佛斯动力系统工作装置部门开放日现场!

  Read more

丹佛斯动力系统双马达驱动解决方案

  Read more

丹佛斯亮相夏季达沃斯,持续引领全球绿色增长

  Read more

D1系列重载柱塞泵 中国智造,撬动未来

  Read more

丹佛斯Editron助力全球知名纯电动渡轮Ellen

  Read more

丹佛斯PLUS+1软件11.1版本更新

  Read more

对未来的探索,我们从未止步

  Read more

5月19日开播的卫视巨制纪录片!丹佛斯集团主席为您讲述与天津的不解之缘

  Read more

打破旧有局限,丹佛斯官网全新上线

  Read more

安全是我们时刻谨记的话题

  Read more

丹佛斯动力系统助力中国非道路移动机械市场

  Read more

劳“动”最光荣,致敬最美工作者!

  Read more

团结就是力量!We Are Family!——丹家健儿,勇往向前

  Read more

丹佛斯动力系统亮相德国Bauma展,与临工集团现场签署战略合作

  Read more

EasyManifold-零基础助您完成螺纹插装阀阀组三维设计

  Read more

除了刷屏的宝藏APP,还有这个公众号值得你收藏

  Read more

丹佛斯PVEX-EX II防爆(ATEX/UL)电控模块全面升级

  Read more

卓越产品搭配船检认证,助您制霸船舶与海工装备市场

  Read more

MVB10模块化的集成阀组解决方案

  Read more

丹佛斯2018年持续强劲增长

  Read more

丹佛斯动力系统海盐工厂的成长故事

  Read more

丹佛斯收购UQM,进一步强化电驱业务

  Read more

原来你们是这样的一群丹佛斯人

  Read more

最新的丹佛斯 4.3 英寸显示屏为现代设计和阳光下可见性设定了新标准

  Read more

丹佛斯动力系统在高端小型扫路机行走系统中的应用

  Read more

丹佛斯动力系统控制系统中国区2018年年度战略销售会议顺利召开

  Read more

走向卓越Going Great

  Read more

直击Bauma China 2018

  Read more

丹佛斯动力系统喜获“2018年度高空作业部件产品”奖

  Read more

你们想看的内容来了

  Read more

直击Bauma China 2018,享丹佛斯视听盛宴

  Read more

全球热展3

  Read more

ADC 开幕式

  Read more

生生不息

  Read more

DPS wins in Zoomlion Concrete

  Read more

丹佛斯H1系列泵 推出H1T060-068串泵

  Read more

RC, AWP市场专属行走马达解决方案

  Read more

智能之选——PVED

  Read more

液压单驱压路机解决方案

  Read more

丹佛斯轮式混凝土湿喷机系统解决方案

  Read more

VSP转向器,全新绽放

  Read more

差异化之选 —— ECO80LS

  Read more

全球热展

  Read more

丹佛斯喜获"T50最佳零部件奖",应用开发中心助力中国市场新变化

  Read more

安全第一

安全是保证顺利运营的最基本和最重要的条件,所以丹佛斯将安全摆在第一要位。公司至上而下,一直在不折不扣地践行这一理念。中国区工厂也不例外,在生产任务十分繁重的情况下,更是采取各种措施以持续改善安全生产环境,不断提高员工安全意识,并取得了三年多来无损工伤害事故的骄人成绩。

  Read more

Danfoss掘进机系统解决方案介绍

近两年随着国内城市交通、铁路、公路、水利和市政工程等建设事业的高速增长,煤炭市场得到回暖,国内掘进机又迎来 了快速发展。政府对煤矿开采、交通工程施工安全问题的关注逐渐提高,未来施工开采的全机械化和自动化成为市场主 流趋势,这进一步增加了对掘进机的需求,同时也对机器的效率、安全性和可靠性提出了更多的挑战。 丹佛斯始终关注能源的发展,将能源的高效开发与利用作为公司的发展战略之一。丹佛斯动力系统专门为掘进机开发了系统解 决方案,为中国煤炭开采市场的机械化和自动化也略尽绵薄之力

  Read more

砥砺前行:D1P260 车载泵应用

Danfoss D1P 260重载开式大泵,作为目前公司开式回路里面排量最大的一款轴向柱塞泵,自从2016年7月份投放到市场上以来,已经深入到混凝土机械、海事船舶、工业动力站等多个领域的各项应用中。凭借着过硬的产品质量以及对客户需求快速响应的能力,得到了市场上广大客户的认可。那么这个泵的长相如何呢,看, 就是下面这个样子了!

  Read more

特种农机电液系统解决方案

随着农业机械化普及率的不断提高和农机设备使用的逐步深入,市场出现了对一些经济作物收获机械的巨大需求;国外在这些特种农机研发方面已经走了很远,性能也在不断提高,国内也在不断的开发出新的品种。这些不同种类的农业机械几乎都采用了电液系统来控制各个部件的动作。

  Read more

行走驱动领航者—PAL

Propel Application Library—行走驱动应用程序库

  Read more

OSPE —— 电液转向的领导者

OSPE 电液转向器经过十几年的发展,已经从最初的 PVES 开环控制发展到了 PVED-CLS 闭环总线控制,并广泛应用在精准农业和工程机械领域。

  Read more

TS16949 让我们开启新的质量征程

丹佛斯动力系统于 2015 年正式启动了 ISO/TS 16949 的导入项目,伴随集团及公司管理层面的高度重视,中国区将上海和海盐两座工厂一并纳入了丹佛斯动力系统全球的 ISO/TS 16949 整体项目做导入。

  Read more

丹佛斯助你站得更“高”

自行式高空作业车是一种采用专用底盘的可自行走的高空作业机械。它能够通过作业平台的运动将人员、工具等运送到空中指定的位置,以便进行安装、维修等各种作业。

  Read more

K2 型泵、FDC 控制及 RDM 马达——使您的机器“COOL”下去

市场上外形尺寸和重量的最佳组合。借助于整体优化设计,K2 型泵通过大幅度减少泵的重量、外形尺寸,同时提高压力等级及转速能力以响应客户需求。

  Read more

更好的客户数字体验——官方微信急需升级!

在国内,我们更多地使用微信平台作为和客户的沟通工具。丹佛斯动力系统中国区的官方微信是 2015 年 4 月底正式上线的,至今已有 2 年多的运营,正是总结经验、改版更新的好时机。

  Read more

小丹叉车

叉车是大家平时见的最多的工业搬运车辆之一,大小各异,种类繁多;不过大家平时见的最多的还是那种 5T 以下的小吨位平衡重式叉车,它短小精悍,灵活多变,广泛用于装卸和短距离运输托盘货物。

  Read more

行走的路上一直有我 —— 丹佛斯动力系统永远和你在一起

丹佛斯动力系统是全球著名的静液压行走领域技术领先及创新企业,并一直致力于农业机械电液系统的开发与创新。

  Read more

丹佛斯PLUS+1 大电流控制器重磅发布

复合应用电流需求太大,常规控制器无法满足电流需求?多个控制器加剧了系统的复杂性,

  Read more

D1P柳工起重机应用介绍

2017年4月底,丹佛斯重载开式大泵D1P在安徽柳工起重机TC550A机型上成功进行了试用。

  Read more

45系列ETL控制,为您的发动机保驾护航!

当今行走机械普遍追求功能的多样性、协调性以及整机的高效性,但施工现场工况的复杂多变,使得行走机械面临着由于液压泵吸收扭矩的剧烈变化而导致发动机掉速、熄火的风险。

  Read more

滑移液压找小丹!

提到滑移,在国内貌似出现的频率远远没有挖机、装载机之类的机器高,它的存量规模目前也有限,说它是一个大隐于市的“小家伙”也不为过。

  Read more

全球热展2

DSD以联合参展商的身份与大金工业石油液压部门共同参展IFPEX 2017 (第25届国际流体动力博览会),这已经是第三年我们一起以这样的方式参展。整个大金展台面积270平方米。

  Read more

超越自己,全新一代OMPR耀世登场

从诞生之日起就引领摆线马达市场的OMP/R在沉淀了六十年之后,迎来了这次全新的蜕变。自豪的丹麦工程师们骄傲的称呼这代产品为:“Orbit X”。

  Read more

丹佛斯与润州区政府签署重要协议

2017年5月10日,来自中国镇江工业园区的润州区政府代表与丹佛斯领导在诺德堡进行会面,同时签署了一份协议。

  Read more

丹佛斯 MP1 泵推出新的 HDC 液压排量控制选项

丹佛斯很高兴地向您介绍 MP1 闭式轴向柱塞泵现已发布新的液压排量控制(HDC)选项。

  Read more

PVG128/256 大流量阀在 ADC 起重机的成功验证

丹佛斯动力系统PVG家族新成员 PVG128/256 大流量阀已于2017年1月成功问世。

  Read more

2017 Get Going

海南文昌的二月暖而不燥,丹佛斯中国“10%增长”会议就在这里举行。BCC团队一行,包括原怀特的13名同事,一同在文昌希尔顿度过了难忘的三天半。

  Read more

以人民的名义宣告:春天来了!

为了满足客户的需求,上海工厂全体员工表现出高度的团队合作精神,80%以上的生产一线员工在春节期间放弃与家人团聚的机会,加班加点投入生产。

  Read more

一诗一景一天涯,一泵一阀一马达

那么,在众多流传至今的千古佳句中,你是否能够联想到丹佛斯的D1P系列产品呢?

  Read more

高压开式泵D1系列产品正式登陆EMEA市场

自从2014年在中国市场发布第一款193cc产品以来,高压开式泵D1产品系列已经陆续发布并投放中国市场多达4款产品

  Read more

在丹佛斯,质量是绝对不被妥协的!

SO/TS 16949 (以下简称TS16949)是由国际汽车工业特别行动组

  Read more

PLUS+1 Tools开发工具9.0版本的发布

Danfoss 的 PLUS+1 Tools 主要包含 PLUS+1 GUIDE 和 PLUS+1 Service Tool

  Read more

Danfoss典型正面吊系统成功应用 SANY 45T正面吊

正面吊作为一款港口设备为实现港口现代化做出了巨大的贡献

  Read more

ECO80负载敏感控制阀正式发布

经过全球各区域的市场准备,Danfoss于今正式发布ECO80负载敏感方向控制阀。

  Read more

丹佛斯高空作业车系统解决方案

高空作业车广泛应用于电力、通讯、市政、消防、建筑、交通等行业。按照其主臂升降方式大体可以分为:

  Read more

Danfoss 大流量比例阀进军中国市场

在广大中国工程机械客户的千呼万唤中,PVG128/256终于揭开其神秘面纱,正式加入PVG产品的大家庭

  Read more

丹佛斯D193cc混凝土泵车后续跟

2016年10月26日,杭州临平,烟雨朦胧。

  Read more

丹佛斯推出全新一代 | JS1-H重载型电控手柄及JS1手柄平台

重载型 JS1-H 电控手柄系列采用符合人体工程学、可定制的优化设计,能够简单地集成至原始设备生产商现有的工作流程中

  Read more

压路机系统解决方案 Roller System Solution

2016年1至8月份压路机的销售量同比增长7.7%,由此可见路机市场在逐步回暖。

  Read more

摊铺机系统解决方案

摊铺机技术正在向着微电脑数字控制技术、程序化作业的方向发展

  Read more

ADC客户项目-无锡钻通55T水平定向钻机

丹佛斯在全球布局有三个应用开发中心,分别在美国的Ames,丹麦的Nordborg和中国的海盐

  Read more

MP1P – 为您最大限度地提高性能、效率和利润

MP1泵基于多年的研发经验和应用积累所设计,是闭式轴向柱塞泵领域的全新一代进化产品

  Read more

Danfoss滑移装载机系统应用

滑移装载机—在工程机械家族里算得上是一个有“辈分”的 “小不点”了。

  Read more

中欧领导人见证丹佛斯与海盐签署建设“科技乐园”项目

7月13日,在李克强总理和欧盟委员会主席容克的共同见证下,丹佛斯中国与浙江省海盐县政府在“2016中欧城镇化伙伴关系务实合作项目签约仪式”上签署务实合作项目,项目内容为在海盐建立“科技乐园”。这是在该仪式上中欧双边签署的12个合作协议之一。

  Read more

丹佛斯海事应用:无惧挑战,目标精准达成

对于一艘船舶来说,准确停靠在泊位是件多么具有挑战性的事件。那么,丹佛斯动力系统会如何应对挑战呢?

  Read more

丹佛斯携手美国怀特驱动产品公司,提升全球市场地位

丹麦时间7月12日,丹佛斯正式宣布收购私人控股公司怀特驱动产品股份有限公司的收购意向。

  Read more

丹佛斯助力精准农业--五征农药机项目

随着城镇化和土地扭转政策的推进,耕地越来越集中,田间管理需要精细化。而基于卫星定位系统的自动驾驶技术为精准农业带来福音,采用自动导航技术的农机大大提高作业效率、减少劳动强度、降低生产成本、提高农作物产量、减少环境污染。

  Read more

丹佛斯动力系统携OSPE转向器又一次荣获中国农业机械Top50年度优秀供应商奖!

2015 中国农机年度产品 T50 颁奖典礼于上周在南京圆满举行。此活动是由农业机械杂志社联合中国农机工业协会产品宣传委员会、中国农机学会普及工作委员会共同发起的。

  Read more

丹佛斯助力意大利制造商Dieci提高伸缩臂叉车效率

七年前,意大利制造商 Dieci 邀请丹佛斯动力系统帮助其提高伸缩臂叉车的效率与动力,从此拉开了双方创新合作之旅,合作一直延续至今。

  Read more

第二代V系列摆线马达正式发布

丹佛斯自上个世纪六十年代推出全球第一款摆线马达OMP以来,在摆线马达领域持续探索,引领市场数十载。

  Read more

丹佛斯45系列电控功率控制----助您引领科技潮流

面对全球经济唱衰,发展方向由低成本向高科技转型的市场竞争环境,您做好准备了吗?

  Read more

丹佛斯提名上海市为“知识产权友好城市”

2016年3月30日,欧盟商会主办的知识产权创新与发展大会暨“知识产权友好奖”颁奖仪式在北京成功举办。“知识产权友好奖”分为透明度、效率、合作、威慑力和公正性等五大奖项类别。丹麦最大的工业集团丹佛斯作为奖项提名者和颁奖嘉宾,向上海市政府代表颁发“最佳合作奖”,以感谢和表彰上海市政府行政和执法部门对企业知识产权和消费者合法权益的大力维护。

  Read more

丹佛斯中国微信公众号及微官网隆重上线了!

2016年是丹佛斯集团进入中国二十周年,我们始终视中国为第二家乡市场,面对当前中国城市化进程中所带来的各种能源与环境的挑战,丹佛斯始终致力于通过在制冷、空调、供热、电机控制以及移动液压等领域,各种节能增效的产品与应用帮助中国实现可持续绿色发展。

  Read more

PLUS+1 Tools Ver8.0.5 的产品公告

Danfoss 的PLUS+1 Tools主要包含PLUS+1 GUIDE 和PLUS+1 Service Tool两款应用软件,均基于PLUS+1TM 微控制器来为客户提供更为灵活的解决方案,进而实现从小的局部控制到整机系统控制。

  Read more

小身材,大味道 -- PVG16

PVG系列阀组在工程机械的各个领域都有广泛的应用,为了满足小型机型的空间布置,“Danfoss推出PVG产品系列——PVG16”。PVG16采用更加紧凑的外观设计,同时还具备与PVG32相同的高性能。

  Read more

丹佛斯创始人遗孀仙逝,享年103岁

碧藤·柯劳森夫人于1912年10月20日出生于丹麦哈泽斯莱乌,于1939年与梅兹·柯劳森先生结婚。她曾经帮助柯劳森先生共同创立丹佛斯公司,并在1966年梅兹先生去世后接管公司,担任丹佛斯集团董事会主席。1971年,碧藤·柯劳森夫人创立碧藤梅兹基金会,控股丹佛斯集团。碧藤·柯劳森夫人始终践行社会责任,由其创办的基金会长期致力于全球公益事业。

  Read more

干货来啦-浅谈静液压驱动技术

静液压驱动技术由于可实现无极调速、响应快、在各种工况下可实现精准的速度控制和操作效率高等特点,在农机行业已被广泛的认可。

  Read more

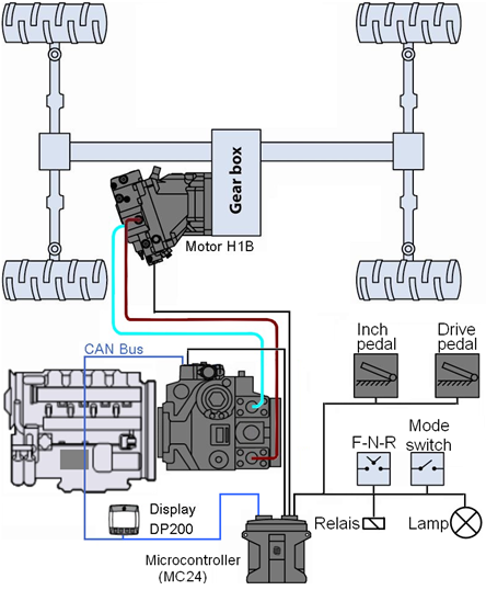
新成员H1B210让丹佛斯弯轴马达家族更强大

新的H1B210马达具备更高的效率,更加紧凑的结构设计,与H1B250马达相比具备更高的转速和加速度能力,集成的控制使其具有更好的性能和可靠性。

  Read more

新年推新品,丹佛斯多款转向器华丽上市!

在2015年德国汉诺威Agritecnica农业机械展上,丹佛斯动力系统公司发布了其最新电液转向控制模块PVED-CLS(Proportional Valve Electronic Digital – Close Loop Safety)。

  Read more

应用开发中心快报:无锡钻通55T水平定向钻机智能电液控制系统测试记

1月12日,丹佛斯动力系统应用开发中心 (Application Development Center, 以下简称ADC) 在凛冽的寒风中迎来了2016年的首个客户项目55T水平定向钻机智能电液控制系统测试

  Read more

丹佛斯动力系统发布D1系列145cc高压开式泵产品

丹佛斯动力系统近日正式发布了D1系列145cc高压开式泵产品

  Read more

丹佛斯应用开发中心海盐测试场项目投资正式签约

丹佛斯应用开发中心海盐测试场项目投资签约仪式于 2016年1月6日在海盐海利开元名都大酒店举行。

  Read more

PVED总线阀组助力智能臂架

作为PVG多路阀组的第四代电控模块—PVED ,采用CAN总线通讯而组成的PVED总线阀组将PVG流量精确控制的理念发挥到了最新高度,使执行机构的速度控制变得更精确、更灵活。

  Read more

上海工程试验室飞跃历程

在火热的2015年夏季,一个全新的大功率耐久性试验台STS-04在丹佛斯动力系统上海工程试验室完成了最终验收试验,并投入正常使用。

  Read more

从“阅兵蓝”到“天天蓝”

2015年9月3日,中国人民抗日战争暨世界反法西斯战争胜利70周年阅兵庆典在天安门广场拉开帷幕。

  Read more

多功能,高性能,优质量-PVG多路阀助您实现轻松搬运

在中国的叉车市场上,Danfoss PVG阀组已经在1.5T至25T不同吨位的叉车上取得了成功应用。PVG旨在通过优质的产品向客户提供高性能,低能耗的叉车解决方案。

  Read more

与客户的亲密接触

丹佛斯动力系统事业部领导团队每年有三次的月度会议与拜访当地客户同时进行。

  Read more

丹佛斯 PVG阀组 助力“地壳一号”大展神威

丹佛斯 PVG比例阀在中国石油机械市场得到广泛应用,包括混配车、混沙车、石油钻机等。PVG产品具有产品系列齐全、控制精确、性能可靠等优势,非常适用于石油机械上使用。为了满足油田井口的特殊防爆要求,丹佛斯动力系统专门开发了用于油汽田设备上PVG电控模块,并通过了Nemko防爆认证。

  Read more

控制葡萄收割机的挤压性能

葡萄和橄榄的收割通常在陡坡的湿地上进行,这样的条件下会把牵引力的控制用到非常极限的情况。Oxbo 的通用答复为:这是一个电液控制系统的挑战,为了在减轻操作人员的负担的同时,节省燃料。

  Read more

智能控制系统,仍会更上一层楼

在 2004年工程机械贸易展会上发布针对定制机械设备控制器的 PLUS+1™ 系统时,丹佛斯丝毫不乏远见。高度集成的模块化硬件、高级软件和用户友好型 PLUS+1 GUIDE编程环境,这种移动电子产品理念被宣称为全新的行业标准。

  Read more

“区域能源化”的低碳城市

2015年6月27日,贵阳——今天,联合国环境规划署和能效解决方案领域的全球领导者丹佛斯在贵阳国际生态文明论坛2015年年会——“气候与能源示范区/智慧城市”主题论坛上联合发布了《城市区域能源:充分激发能源效率和新能源的潜力》报告中文版。

  Read more

为繁重的作业工况节约能源

采用 45 系列轴向柱塞泵替代垃圾装卸车和其他车载机械设备上的传统齿轮泵使功率得到充分利用。

  Read more

中国制造 服务中国

中国新建的丹佛斯工厂已经开始行走液压设备的本地化生产,这将有助于中国的现代化城市 建设以及将全新的农机技术引入田间。

  Read more

丹佛斯动力系统成功应用于联合收割机

随着最终用户对联合收割机作业效率以及操作舒适性的不断提高,静液压驱动联合收割机逐渐被最终用户所接受,也将逐步成为以后的发展趋势,因此也成为了近两年来各农机生产企业主要的研究和推广对象。

  Read more

让制动来避免引擎超速运转

大型的机械设备对发动机的制动性能要求达到了极致。集成速度限制器能够消除引擎在受压情况下产生的热量。

  Read more

保持冷却的能力

经过一年 - 或者1,000 小时的运行验证 - 每千瓦功率损耗预计消耗250升燃油。

  Read more

当行业巨变归结到一个多路阀

瑞典林业机械制造商 Gremo 公司同意采用革命性的丹佛斯 PVX 比例阀来测试集材机。经过一年的现场测试,PVX 比例阀证明了自己为何是行走机械技术的又一行业巨变。

  Read more

DUANG!丹佛斯动力系统官方微信--华丽登场!

小丹觉得即使并非身处奢侈高科圈,即使离上亿市场预算还有N步之遥,但凡有一颗热切挤入贵(朋友)圈的心也是极好的!

  Read more

丹佛斯ADC应用开发中心—合作开发新窗口

丹佛斯动力系统,您行走液压领域强有力的合作伙伴。

  Read more

D1P260cc重载开式轴向柱塞泵正式发布

丹佛斯D1P系列泵是高性能的轴向柱塞变量泵,设计用于重载工况的开式系统。

  Read more

不会选的时候,选D就对了——Danfoss伸缩臂叉车行走系统解决方案助力徐工

丹佛斯动力系统,您行走液压领域强有力的合作伙伴。

  Read more

比这个夏天更热更酷,丹佛斯PLUS+1 Tools开发工具9.1版本正式发布

Danfoss 的PLUS+1 Tools主要包含 PLUS+1 GUIDE 和PLUS+1 Service Tool 两款应用软件,均基于PLUS+1微控制器来为客户提供更为灵活的解决方案,进而实现从小的局部控制到整机系统控制。

  Read more

丹佛斯ADC测试实例 ——玉米收割机

  Read more

联合收割机液压行走系统的价值

  Read more

特种农机电液系统解决方案系列二

  Read more

丹佛斯特种农机电液系统解决方案系列一

  Read more

PLUS+1 12.0 中文版更新上线!

  Read more

MP1M轴向定量柱塞马达重磅来袭

  Read more

联合收割机电液系统解决方案

  Read more

丹佛斯国际农机展参展归来!

  Read more

绿色环保再升级,丹佛斯动力系统持续发力中国市场

  Read more

丹佛斯动力系统海盐ADC测试场开幕-玉米收割机项目

  Read more

TS16949让我们开启新的质量征程

  Read more

卷首语. (1)

“丹佛斯动力系统中国区简报”又与大家见面了!本刊物因“CONNECTED”酝酿而生,旨在建立丹佛斯动力系统事业部与全体员工以及外部客户、媒体、协会机构等的沟通桥梁,为大家第一时间分享丹佛斯动力系统中国的点点滴滴。

  Read more

共筑卓越质量

  Read more

协同合作,践行我们的行为

  Read more

砥砺奋进

  Read more

丹佛斯动力系统与中联集团签署战略合作协议

  Read more

丹家安好,便是晴天

  Read more

镇江市新任市委书记马明龙先生一行参观调研丹佛斯镇江园区

  Read more

镇江工厂支持供应商顺利复工

  Read more

丹心抗疫 持续增长

  Read more

丹佛斯动力系统物流查询及线上报修系统正式上线

  Read more

丹佛斯集团2019年收益强劲,对未来投资持续增长

  Read more

PVG功能模块—PVBZ与PVBD

  Read more

持续改善稳步前进 卓越生产成就未来

  Read more

掌舵启航,勇于创新,持续奋进

  Read more

卷首语Q4

  Read more

卷首语Q3

  Read more

卷首语Q2

  Read more

卷首语

  Read more

2020简报

  Read more

卷首语-2021-Q2

  Read more

卷首语-2021-Q1

  Read more

关闭

你的文件将被发送至:

© DANFOSS 2026