新的 K2 型泵 (25cc/30cc/38cc/45cc)
市场上外形尺寸和重量的最佳组合。借助于整体优化设计,K2 型泵通过大幅度减少泵的重量、外形尺寸,同时提高压力等级及转速能力以响应客户需求。
最终成就市场上外形尺寸和重量的最佳组合。

重新设计的 K2 型泵带来了诸多改进;
• 长度减少20%,重量减轻10%
• 总重量降低30%
• 整体噪音降低
• 通用的45系列控制选项
• 耐温能力增强至104°C
• 持续工作压力全新升级到260bar• 壳体内部卸油选项
• 新增加的风扇驱动控制效率更高
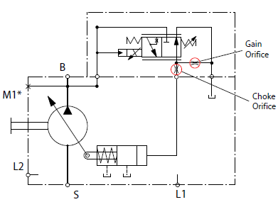
风扇驱动控制(Fan Drive Control)
就重量、尺寸和维修服务而言是行业内最佳的选择。其允许的更低的系统压力会带来更低的风扇转速,从而提高风扇驱动系统的效率,并为低散热需求带来好处。

优化设计使得丹佛斯风扇驱动控制成为业界在重量、尺寸和维修服务这三者方面的最佳选择。
风扇驱动控制为独特的电气驱动压力控制解决方案,包含常闭比例电磁阀及在控制阀块内滑动的双直径阀芯。系统压力作用于阀芯台肩的两个阀芯直径之间的区域。当阀芯位于节流位置时该液压力就会被弹簧力和电磁阀力平衡。当电磁阀内没有输入电流时它会以 PC 设定值或低于设定值运行泵,按比例增加控制电流可降低泵的出口压力直至达到最小待命压力。

• 可获得更低的系统压力更低
• 控制电流精度提高
• 稳定、优化设计
• 更小的尺寸
• 重量减轻(比EPC轻2.3Kg)
• 更少的零件、易于维修
• 同样的安装底板,更好的通用性
反向排量马达(Reverse Displacement Motor)

RDM 马达采用丹佛斯 L/K 马达的现有成熟技术,依靠内置的电控减压阀将系统压力减压,并引导至伺服柱塞腔,以推动马达排量变小并逐渐平稳过渡至反向最大排量,从而在不改变压油流向的情况下实现马达的反转功能,最终简易、快捷地实现风扇的反向吹扫功能。

• 无需额外的外部方向阀,既减少了软管数量,又减少了损耗
• 带有防尘装置的轴选件
• 一体式系统防护 - 防吸空与缓冲阀
• 可耐受轴向风扇作用力的重载轴承
45 系列所有电控均满足并通过丹佛斯 PLUS+1 ® 兼容性标准测试,因而,RDM 马达、K2 型泵的 FDC 控制可与PLUS+1 ® 实现无缝匹配、对接。
丹佛斯——风扇驱动系统专家,借助于我们的专业知识与技能,随时为您提供全方位系统解决方案!
© DANFOSS 2026