MP1M轴向定量柱塞马达重磅来袭

从2020年3月起,丹佛斯动力系统将在全球范围内推出MP1M定量马达,并于3月第一周开始批量生产。MP1M是一款轴向定量柱塞马达,同一外形尺寸下有20cc和24cc两个排量选项。作为丹佛斯下一代的定量柱塞马达,拥有诸多优点,以满足不同客户的需求。

应用场景十分广泛

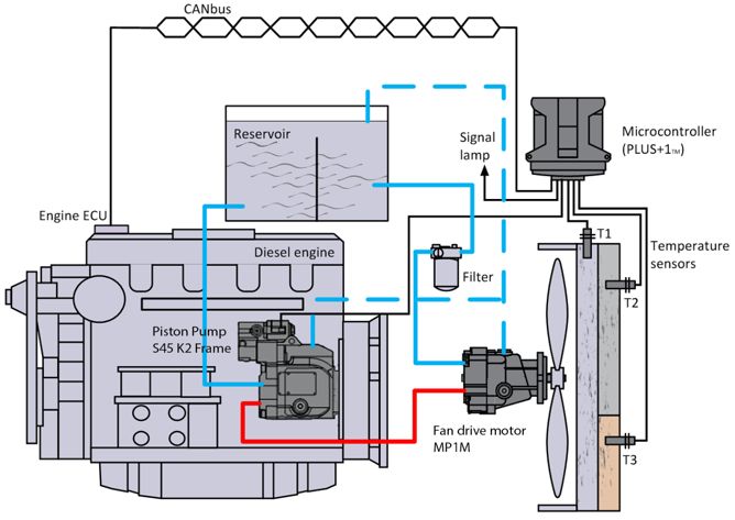
MP1M马达可作为风扇驱动马达,广泛应用于轮式装载机、挖掘机、收割机、推土机、压路机和平地机的风扇散热系统。

MP1M马达还可作为驱动和工作马达,广泛应用于紧凑型拖拉机、草皮护理机、压路机振动、收割机等。

替换性强

MP1M马达在丹佛斯现有技术上进行优化,采用了经过行业验证的设计。同时,可以和现有的柱塞泵组成完整的系统解决方案,用来替代正逐渐从我们的产品系列中淘汰的S15PV /MF,M25PV/ MF泵马达。

交付期短

MP1M马达推出了“快速响应计划”。为满足客户的样机需求,将交付周期定为2周。(即从输入订单到交付动力系统本地仓库,为期2周)。这种做法在上一代产品中收到诸多客户的好评,因而相信该计划将促进我们更快地进入市场并更好地为客户服务。

如您对此产品有任何疑问,请联系以下相关人员

丹佛斯动力系统中国区 产品应用工程师:周志宏
电话:+86 15051517211
邮箱:ezhou@danfoss.com

撰文:李峰

关闭

你的文件将被发送至:

© DANFOSS 2026