ECO80ls是丹佛斯多路阀事业部在2016年推出的一款负载敏感多路阀,额定工作压力为280bar,工作口流量100L/min。可选控制方式有:手操、液控、电开关、电比例控制。基于市场应用的需要,SVS比例阀组事业部推出了气控选项(EVPN)。
ECO80ls的EVPN是一种开关型气控选项,主要针对垃圾压缩车和冰雪车等公路车辆应用。
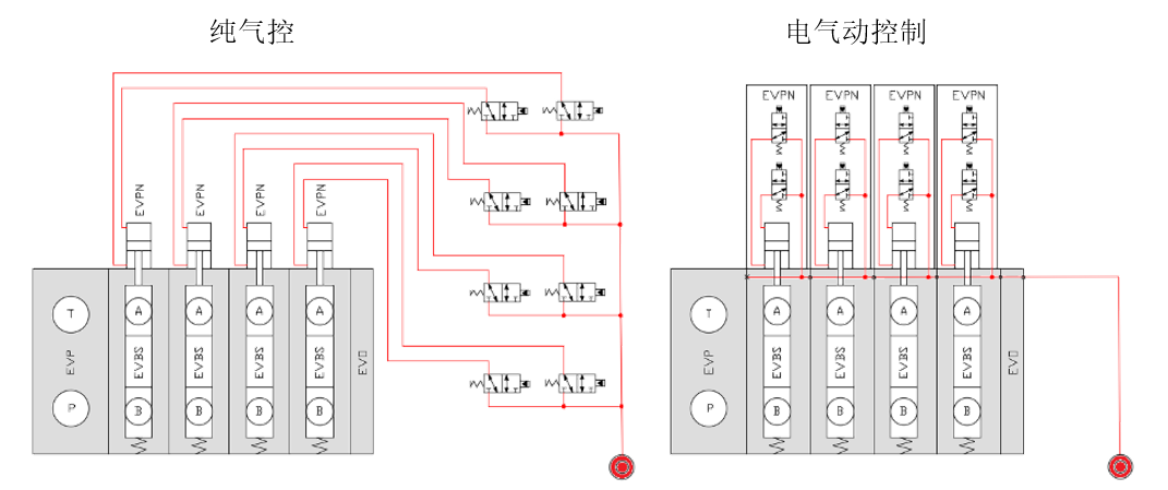
两种EVPN选项:
一、纯气动控制
外部气源直接连接到每一片阀体上,以驱动阀芯动作

二、电气动控制
整组阀只需一根气源软管,通过尾联(EVO)进入,在阀体内部传递到各工作片。在阀组的每一片上已经集成了两个电磁气动阀,以驱动阀芯换向至左端或右端。因此该型EVPN不需要对每一片阀单独接管,也不需要远程的电磁气动阀了。


下图为两种气控选项的原理示意图,对比如下:
左图为纯气控:气源从外部引入到各工作片,通过远程电磁气动阀控制气源的作用方向,每片需要单独接管;
右图为电气动控制:总气源从尾联(EVO)引入,从阀内部通道传递到每一个工作片,集成的电磁气动阀控制气源的作用方向。

两种方式均可选,针对应用需求进行选用。
如欲了解更多关于新产品的信息,请联系您当地的销售代表/经销商,或拨打021-021-20806201进行咨询。
撰文:龚邦福(CT)
© DANFOSS 2026