
丹佛斯动力系统 插装阀产品MVB10
您还在为插装阀的选型发愁吗?您还在为系统方案烦恼吗?您还在为样机货期担忧吗?想要找到如何快速高效地为客户提供系统解决方案的方法?
来来来,让丹佛斯MVB10产品来帮您解答难题!

丹佛斯动力系统的模块化的插装阀产品MVB10,是根据40年的集成阀组与插装阀的应用经验,设计出一系列既紧凑又灵活的产品。MVB10产品具有模块化的阀块,丰富的插芯种类,灵活多变的组合形式。通过简单选型、组合与搭配,助您快速形成系统解决方案,接下来我们通过3个案例来快速了解一下!
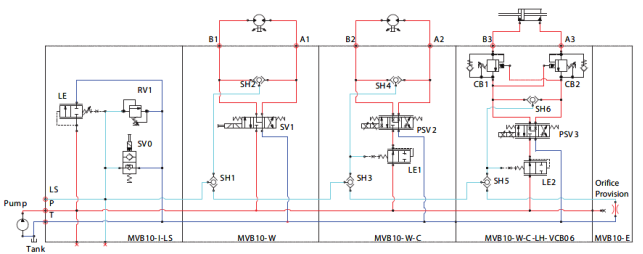
案例1:定量泵系统解决方案:
▌在下图定量泵使用的3联组工作阀组中,其中第一联是开关阀控制;第二联是比例阀控制+补偿器;第三联是比例阀+补偿器+负载保持平衡阀;输入联具有先导溢流功能,并带有开关阀卸荷功能。

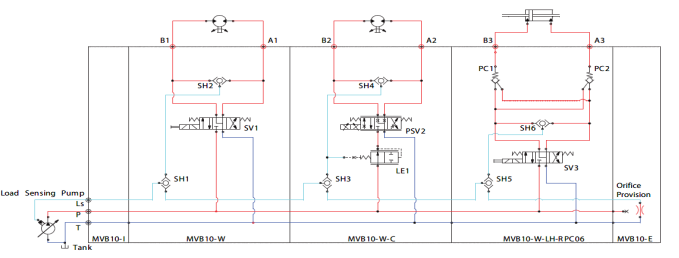
案例2:变量泵系统解决方案:
▌以下是变量泵使用的3联工作阀组,其中第一联是开关阀控制;第二联是比例阀控制+补偿器;第三联是比例阀+负载保持液压阀;通过输入联带有LS、P、T油路通道进行工作。

案例3:混合阀组解决方案:
▌在以上方案的基础上,也可以根据实际需求,定制化任意工作联,优化系统解决方案。我们开发了与PVG产品的接口,如下:进油联+PVG32/16+工作联+尾联进行组合搭配。

MVB10 可以为电液控制系统提供高达80 l/min入口流量和210 bar工作压力,满足NFPA T2.6.1, 1百万次疲劳试验。可以广泛应用在农业机械、小型路面机械、特种设备以及高空作业车等。

• 在线选型-快速出图 •
在https://mvb10.comatrol.com/网站上,客户可以在线自助选型,完成后可以下载功能图纸以及物料清单。
如您想进一步了解关于丹佛斯插装阀以及MVB10产品与应用的问题,欢迎联系我们的技术工程师进行咨询。
产品应用工程师:汪洋
电话:18817659512
邮箱:awang@danfoss.com
© DANFOSS 2026